Öde ö Опубликовано 22 сентября, 2022 Жалоба Share Опубликовано 22 сентября, 2022 1 час назад, Мистер Хрюк сказал: Неподключенная сетка светится красивым голубоватым светом. Юмор оценил: 6П9 в железном баллоне. Цитата Ссылка на комментарий Поделиться на другие сайты More sharing options...
Мистер Хрюк Опубликовано 22 сентября, 2022 Жалоба Share Опубликовано 22 сентября, 2022 Ничё ты не понял Цитата Ссылка на комментарий Поделиться на другие сайты More sharing options...
420 Not Found Опубликовано 22 сентября, 2022 Жалоба Share Опубликовано 22 сентября, 2022 Похоже на радиостанцию Маяк. Версия "компакт" Цитата Ссылка на комментарий Поделиться на другие сайты More sharing options...
Мистер Хрюк Опубликовано 5 октября, 2022 Жалоба Share Опубликовано 5 октября, 2022 Цитата Ссылка на комментарий Поделиться на другие сайты More sharing options...
Delta213 Опубликовано 5 октября, 2022 Жалоба Share Опубликовано 5 октября, 2022 За Д классом не то что будущее, за ним уже настоящее, хороший Д уделывает все эти АБ и даже А. У меня только Д и остались, один на инфинион ma12070, с ним еще работаю, надо выходные фильтры заменить и второй на тексас инструментс TPA3251. Думаю еще и третий собрать, клон нкор, или пурифай. https://purifi-audio.com/eigentakt/ Цитата Ссылка на комментарий Поделиться на другие сайты More sharing options...
Мистер Хрюк Опубликовано 5 октября, 2022 Жалоба Share Опубликовано 5 октября, 2022 Собирай на К155ЛА3 - поддержи отечественного производителя ! 1 Цитата Ссылка на комментарий Поделиться на другие сайты More sharing options...
Андрей1989 Опубликовано 5 октября, 2022 Жалоба Share Опубликовано 5 октября, 2022 9 часов назад, Delta213 сказал: второй на тексас инструментс TPA3251 Ценник конский https://www.chipdip.ru/product0/8005976860 Цитата Ссылка на комментарий Поделиться на другие сайты More sharing options...
Delta213 Опубликовано 6 октября, 2022 Жалоба Share Опубликовано 6 октября, 2022 15 часов назад, Мистер Хрюк сказал: Собирай на К155ЛА3 - поддержи отечественного производителя ! Быстродействия не хватит, медленная очень. А вообще вполне реально 8 часов назад, Андрей1989 сказал: Ценник конский https://www.chipdip.ru/product0/8005976860 Это чип и дип такой ценник выкатили, это китайская версия в которой традиционно косяк на косяке. https://aliexpress.ru/item/32978600209.html Цитата Ссылка на комментарий Поделиться на другие сайты More sharing options...
Андрей1989 Опубликовано 6 октября, 2022 Жалоба Share Опубликовано 6 октября, 2022 Цитата Ссылка на комментарий Поделиться на другие сайты More sharing options...
Станис Опубликовано 7 октября, 2022 Жалоба Share Опубликовано 7 октября, 2022 В 05.10.2022 в 14:26, Delta213 сказал: За Д классом не то что будущее, за ним уже настоящее, хороший Д уделывает все эти АБ и даже А. У меня только Д и остались, один на инфинион ma12070, с ним еще работаю, надо выходные фильтры заменить и второй на тексас инструментс TPA3251. Думаю еще и третий собрать, клон нкор, или пурифай. https://purifi-audio.com/eigentakt/ Каждому свое, а я старовер ) старый «хлам» наше все))) 1 Цитата Ссылка на комментарий Поделиться на другие сайты More sharing options...
Delta213 Опубликовано 8 октября, 2022 Жалоба Share Опубликовано 8 октября, 2022 Цитата Ссылка на комментарий Поделиться на другие сайты More sharing options...
Андрей1989 Опубликовано 19 октября, 2022 Жалоба Share Опубликовано 19 октября, 2022 Цитата Ссылка на комментарий Поделиться на другие сайты More sharing options...
Григорий123325241 Опубликовано 19 октября, 2022 Жалоба Share Опубликовано 19 октября, 2022 Возьму на регистрацию людей с правами и стажем больше 3-х лет оплата от 1к!!! ‼️‼️‼️‼️‼️‼️‼️‼️‼️‼️‼️‼️‼️‼️ https://t.me/Abovamugusins Цитата Ссылка на комментарий Поделиться на другие сайты More sharing options...
Delta213 Опубликовано 25 октября, 2022 Жалоба Share Опубликовано 25 октября, 2022 2модератор, сорян что эту тему пишу, в продажах это мало кого заинтересует. Продам свой мультибитный цап на двух Burr Braun PCM63P-K (высший грейд К!) В нем синхронный юсб интерфес с нулевым джиттером при передачи контента, гальваноразвязка с источником, т.е. цап по сути никак не соединен с компом и помехи компа в нем и остаются. Цифровой фильтр топовый NIPPON PRECISION CIRCUITS INC. SM5847AF В аналоговой части конденсаторы Black Gate. Цап нативно поддерживает все PCM форматы вплоть до 96/24 и с оверсэмплингом все остальные, DSD включительно. Вход только ЮСБ, но в принципе могу добавить и спдиф. Продаю по цене деталей! Не учитываю всякие мелочи, сборку итд, только основные и дорогие комплектующие. К цапу могу предложить твердотельный транспорт, управляется с телефона/планшета, интернет радио, два жестких внутри и один внешний. Заинтересовавшимся в личку! Цитата Ссылка на комментарий Поделиться на другие сайты More sharing options...
Станис Опубликовано 25 октября, 2022 Жалоба Share Опубликовано 25 октября, 2022 2 часа назад, Delta213 сказал: 2модератор, сорян что эту тему пишу, в продажах это мало кого заинтересует. Продам свой мультибитный цап на двух Burr Braun PCM63P-K (высший грейд К!) В нем синхронный юсб интерфес с нулевым джиттером при передачи контента, гальваноразвязка с источником, т.е. цап по сути никак не соединен с компом и помехи компа в нем и остаются. Цифровой фильтр топовый NIPPON PRECISION CIRCUITS INC. SM5847AF В аналоговой части конденсаторы Black Gate. Цап нативно поддерживает все PCM форматы вплоть до 96/24 и с оверсэмплингом все остальные, DSD включительно. Вход только ЮСБ, но в принципе могу добавить и спдиф. Продаю по цене деталей! Не учитываю всякие мелочи, сборку итд, только основные и дорогие комплектующие. К цапу могу предложить твердотельный транспорт, управляется с телефона/планшета, интернет радио, два жестких внутри и один внешний. Заинтересовавшимся в личку! Что так?) вроде аппарат хорош) Цитата Ссылка на комментарий Поделиться на другие сайты More sharing options...
Delta213 Опубликовано 25 октября, 2022 Жалоба Share Опубликовано 25 октября, 2022 2 часа назад, Станис сказал: Что так?) вроде аппарат хорош) Хорош и второго такого я уже не потяну, хотя бы потому, что гейты уже не купить, да и 63 с К грейдом, купить-то можно, только это будут безгрейдовые с аккуратно добавленной китайцами буковкой они мастаки на такое. Лежит без дела уже около года аппарат, жалко, у меня другой есть, не мультибит, его и слушаю. Цитата Ссылка на комментарий Поделиться на другие сайты More sharing options...
Мистер Хрюк Опубликовано 26 октября, 2022 Жалоба Share Опубликовано 26 октября, 2022 Цитата Ссылка на комментарий Поделиться на другие сайты More sharing options...
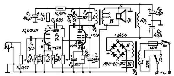
Öde ö Опубликовано 26 октября, 2022 Жалоба Share Опубликовано 26 октября, 2022 Если из этой схемы убрать половину деталей, то будет очень годная классика. Цитата Ссылка на комментарий Поделиться на другие сайты More sharing options...
Godzilla Опубликовано 27 октября, 2022 Жалоба Share Опубликовано 27 октября, 2022 12 часов назад, Öde ö сказал: Если из этой схемы убрать половину деталей, то будет очень годная классика. Интересно, какие? 1 Цитата Ссылка на комментарий Поделиться на другие сайты More sharing options...
Öde ö Опубликовано 27 октября, 2022 Жалоба Share Опубликовано 27 октября, 2022 14 часов назад, Godzilla сказал: Интересно, какие? В 26.10.2022 в 08:39, Мистер Хрюк сказал: 1. Судя по схеме, на входе пьезокерамический звукосниматель. Не актуально. Вырезаем R1, С1 и R2 нахер. Вместо них (R2) ставим от скуки 47 кОм или подстроечник под любимую головку. 2. Регулятор тембра по обратной сввязи нахер не нужен. Вырезаем R7, R8, C4. А вместо R8 ставим тупо постоянник по справочнику. 3. Обратная связь между каскадами нахер не нужна. Вырезаем R5. 4. "Антизвонный" R7 реально нужен??? Проще подходящую лампу выбрать. 4. Вырезаем "душнилу" C6. 5. Далее экспериментально смотрим (слушаем), нужен ли С5 вообще. Заодно смотрим (слушаем), не нужно ли поставить кондерчик параллельно R3. 6. По питанию вопросов нет, особенно если есть реально живой селен. @Godzilla , ты приколист. Цитата Ссылка на комментарий Поделиться на другие сайты More sharing options...
Мистер Хрюк Опубликовано 28 октября, 2022 Жалоба Share Опубликовано 28 октября, 2022 Just kick up and pump up the bass !!! Цитата Ссылка на комментарий Поделиться на другие сайты More sharing options...
Мистер Хрюк Опубликовано 28 октября, 2022 Жалоба Share Опубликовано 28 октября, 2022 Цитата Ссылка на комментарий Поделиться на другие сайты More sharing options...
Мистер Хрюк Опубликовано 1 ноября, 2022 Жалоба Share Опубликовано 1 ноября, 2022 Я в детстве собирал такую. Только вместо динамика была лампочка на 3.5в - они хорошо светились от батареек 4.5В. Транзистор был МП42. Звук - из радиотрансляционной сети. Лампочка очень красиво подмигивала в такт тому что говорили по радио. Но вот транзистор сильно грелся. Цитата Ссылка на комментарий Поделиться на другие сайты More sharing options...
Öde ö Опубликовано 1 ноября, 2022 Жалоба Share Опубликовано 1 ноября, 2022 Я так в малом детстве светодиоды к радиоточке подключал. Они искажали звук, и мне уже в 10 лет хотелось сделать трансформаторную развязку для безболезненного подключения «светомузыки»». Пока собирался, радиоточка сдохла. Идея сделать трехпрограммный приемник без внешнего питания также сдохла. Я-то мечтал, что можно 30 Вольт радиоточки отфильтровать так, чтобы использовать для питания «самоей себя» через гальваническую развязку Пытливое детство с нормальной системой творческого мышления - пусть ошибочного - сдохло в тот же период. А потом хуй начал стоять, и оказался никому не нужен. Радиолюбительство - тем более. Цитата Ссылка на комментарий Поделиться на другие сайты More sharing options...
Delta213 Опубликовано 2 ноября, 2022 Жалоба Share Опубликовано 2 ноября, 2022 В 28.10.2022 в 01:19, Öde ö сказал: 5. Далее экспериментально смотрим (слушаем), нужен ли С5 вообще. Заодно смотрим (слушаем), не нужно ли поставить кондерчик параллельно R3. 1. C5 нужен. 2. Если поставить кондерчик параллельно R3, то сигнал ООС замкнется на землю и ее не будет, а без ООС пентодные выходные каскады с манюсенькими трансами не работают. В остальном все верно, от себя добавлю что антизвонник не там стоит, он правым концом должен в сетку упираться, а левым в точку соединения гридлика и конденсатора. Цитата Ссылка на комментарий Поделиться на другие сайты More sharing options...
Рекомендуемые сообщения
Присоединиться к общению
Вы можете написать сейчас, а зарегистрироваться потом. Если у Вас есть аккаунт, войдите, чтобы написать с него.