posetitel Опубликовано 15 августа, 2022 Жалоба Share Опубликовано 15 августа, 2022 @Delta213 вот кстати есть такая тема, 120-ти вольтовый Emerald Physics 100.2SE Amplifier, мощник D-класс. Погиб в неравной схватке с 230 вольтами. Сможешь глянуть на предмет ремонтопригодности? https://10audio.com/emerald_physics_ep100-2se/ Цитата Ссылка на комментарий Поделиться на другие сайты More sharing options...
Delta213 Опубликовано 15 августа, 2022 Жалоба Share Опубликовано 15 августа, 2022 Неси, будем посмотреть. Цитата Ссылка на комментарий Поделиться на другие сайты More sharing options...
Андрей1989 Опубликовано 20 августа, 2022 Жалоба Share Опубликовано 20 августа, 2022 https://alon-delon.livejournal.com/38395.html Цитата Ссылка на комментарий Поделиться на другие сайты More sharing options...
Мистер Хрюк Опубликовано 21 августа, 2022 Жалоба Share Опубликовано 21 августа, 2022 В 15.08.2022 в 10:11, posetitel сказал: @Delta213 вот кстати есть такая тема, 120-ти вольтовый Emerald Physics 100.2SE Amplifier, мощник D-класс. Погиб в неравной схватке с 230 вольтами. Сможешь глянуть на предмет ремонтопригодности? https://10audio.com/emerald_physics_ep100-2se/ Странный он какой-то, а где на фото транс питания ? Импульсный БП что ли в нём ?!?!? Цитата Ссылка на комментарий Поделиться на другие сайты More sharing options...
posetitel Опубликовано 21 августа, 2022 Жалоба Share Опубликовано 21 августа, 2022 А слона-то и не приметил? Цитата Ссылка на комментарий Поделиться на другие сайты More sharing options...
Delta213 Опубликовано 22 августа, 2022 Жалоба Share Опубликовано 22 августа, 2022 В 21.08.2022 в 09:57, Мистер Хрюк сказал: Импульсный БП что ли в нём ?!?!? Было бы лучше, если бы импульсный был. 1 Цитата Ссылка на комментарий Поделиться на другие сайты More sharing options...
Мистер Хрюк Опубликовано 22 августа, 2022 Жалоба Share Опубликовано 22 августа, 2022 Ну едрид, какой фантастический слон !!! Купи импульсный БП шоб был как тут надо с двумя выходами +30V и -30V и поставь его вместо слона, ты думаешь какие-то шумы будут по питанию ? Да это всё байки аудафилов !!!! Цитата Ссылка на комментарий Поделиться на другие сайты More sharing options...
Delta213 Опубликовано 22 августа, 2022 Жалоба Share Опубликовано 22 августа, 2022 В 20.08.2022 в 22:38, Андрей1989 сказал: https://alon-delon.livejournal.com/38395.html Получил? Расскажи. Акустика это такая тема мало изученная и по большей степени эмпирическая. Может хорошо измеряться и погано звучать и наоборот. А еще жанровость, ширики великолепны на вокале и малых джазовых составах но и только и тут надо выбирать или супер но только в определенных жанрах, или всеядность, но все средне. Это как в треугольнике качество сроки цена надо выбрать только два пункта. 1 минуту назад, Мистер Хрюк сказал: Купи импульсный БП шоб был как тут надо с двумя выходами +30V и -30V Поддерживаю! Но там дело на 99,99% не в питании и не в трансе. Цитата Ссылка на комментарий Поделиться на другие сайты More sharing options...
Андрей1989 Опубликовано 22 августа, 2022 Жалоба Share Опубликовано 22 августа, 2022 4 часа назад, Delta213 сказал: Получил? Расскажи. Пришли Элаки, но я пока не в астре,через недельку послушаю Цитата Ссылка на комментарий Поделиться на другие сайты More sharing options...
Мистер Хрюк Опубликовано 26 августа, 2022 Жалоба Share Опубликовано 26 августа, 2022 Цитата Ссылка на комментарий Поделиться на другие сайты More sharing options...
Первый Опубликовано 26 августа, 2022 Жалоба Share Опубликовано 26 августа, 2022 Ставший ныне забытым героем, этот проигрыватель компакт-дисков прославился тем, что стал первым, проданным британским именем нарицательным. Но делает ли его звучание чем-то большим, чем просто диковинка? Имя Фергюсона не часто встречается на страницах HFN, но с начала 1950-х до конца 1980-х годов оно было доминирующим игроком на британском рынке бытовой электроники. Входящий в группу Thorn, бренд никогда не позиционировался как специализированный производитель hi-fi, но его подразделение аудио было плодовитым. В основном она продавала комбинированные устройства под своим собственным именем, а также устройства HMV (элитный), Ultra (модернистский стиль) и Goodmans (поддержка диапазонов громкоговорителей). Быстро освоив новые технологии, такие как твердотельные схемы, телетекст и видеозапись, было вполне естественно, что Thorn стремилась предоставить своим дилерам проигрыватель компакт-дисков для продажи. Он появился в начале 1984 года под названием Ferguson CD 01 и стал первым CD-плеером, продававшимся под британским именем. Зашел Слишком Далеко В первые дни создание проигрывателя компакт-дисков с нуля было задачей, недоступной никому, кроме Philips и влиятельных японских мейджоров. В остальном единственным вариантом был ребрендинг или переделка существующей машины. Многие европейские бренды тяготели к Philips, но с наступлением эры компакт-дисков Ferguson и голландская транснациональная корпорация стали крупными конкурентами. Возможно, было сочтено, что покупка комплектных проигрывателей компакт-дисков у такого ключевого конкурента зашла слишком далеко. Другим очевидным выбором была бы компания JVC, поскольку ее японские заводы с конца 70-х годов поставляли Thorn видеомагнитофоны VHS, выполненные в фирменном стиле корпуса компании Ferguson. Фергюсон планировал также взять диск JVC VHD (Video High Density) вместе с его высококачественным аудио-ответвлением AHD. Деньги были вложены в завод в Великобритании для производства дисков, и были изготовлены полностью спроектированные прототипы проигрывателей в ливрее Фергюсона. Но Торн отказался от всей этой схемы, когда стало ясно, что публике нужно домашнее записываемое видео. Дебютный CDP-101 от Sony [HFN Jan '12], безусловно, хорошо продавался, но, как и многие проигрыватели компакт-дисков первого поколения, его производство было сложным и дорогим. Теперь, когда было доказано, что технология работает, требовались более простые и дешевые машины, чтобы увеличить продажи дисков и помочь установить формат. Прощальные Безделушки Поэтому Sony решила взять основные элементы CDP-101 (лазер, двигатель шпинделя и чипсет) и упаковать их в рационализированную компоновку. Полученный в результате CDP-11S во многих отношениях был таким, каким должен был быть CDP-101 – простым, логичным и более экономичным в изготовлении. Именно эта машина, в почти неизмененном виде, стала CD 01 Фергюсона. Sony практически не продвигала CDP-11S под своим собственным именем в Великобритании, предпочитая сосредоточиться на верхнем сегменте рынка со своими моделями CDP-102 и CDP-103, а также экзотическими миниатюрами, такими как D-50 portable [HFN Jan '13]. Несмотря на внешнее сходство, Sony CDP-101 и CDP-11S/Ferguson CD 01 значительно различались в деталях. Трансформация лишила '101 многих его особенностей, таких как редко используемый разъем для аксессуаров, функциональный зуммер и сопутствующий ему переключатель "звуковой сигнал", функция запуска таймера, переключаемая функция защиты от ударов и, в случае версии Ferguson, разъем для наушников. Инфракрасная система дистанционного управления также была оставлена вместе с сенсорными клавишами управления CDP-101. Обычные "тактильные" кнопки теперь были в порядке вещей – эргономическое улучшение. Также были исключены некоторые мелочи, такие как позолоченные разъемы RCA и бескислородный медный сетевой кабель, которые были у всех CDP-101. Внутри сетевой трансформатор и радиатор для регуляторов напряжения теперь находились внутри шкафа, а механизм загрузки был упрощен. Последнему все еще требовались два двигателя (один для ползуна и один для дискового зажима), но снятие ' Нажатие клавиши воспроизведения вызывает еще одну крошечную надпись "сканировать", которая остается горящей до тех пор, пока не будет найдена первая дорожка. Затем на дисплее отобразятся номер трека, время и индекс. Индексные точки можно выбрать непосредственно с помощью пары специальных клавиш, но не многие диски содержат необходимую кодировку для этой функции. Здесь нет средств программирования и нет функции повтора, кроме 'A / B', которая хорошо работает для коротких отрывков, но неудобна, когда дело доходит до выбора целых треков или чего-то более длинного. Одним из несомненных улучшений по сравнению с CDP-101 является то, что клавиша "стоп" на Ferguson CD 01 помечена как таковая, в то время как предыдущая практика Sony заключалась в том, чтобы помечать ее как "сброс". Подключение осуществляется через обычные RCA, которые работают на стандартном выходном уровне 2 В. Таким образом, интеграция с другим оборудованием является простой. Англо-японский стиль плеера в значительной степени удачен, хотя некоторые детали вызывают раздражение. Одним из примеров является сочетание передней панели выдвижного ящика из тонко обработанного сплава (Sony) и передней панели из окрашенного пластика Однако отложите это в сторону, и здесь есть чем насладиться. Высокие частоты, возможно, немного "жесткие", но они также яркие и выразительные, что создает более тонкое ощущение фокуса, чем это было возможно на ранних аппаратах Philips, при этом основными преимуществами являются ударные и духовые. Басы тоже более плотные, чем у пухлых и сочных Philips norm, что является характерной чертой первых голландских моделей. Величина этой разницы зависит от вкуса человека и других компонентов его системы. Одним из аспектов презентации, с которым мне было трудно справиться, был верхний средний диапазон, который звучал чересчур прямолинейно. Это добавляло ощущение нежелательного "блика" к некоторым записям, что могло привести к износу, особенно при воспроизведении дисков на большой громкости. Тем не менее, тонкое понимание CD 01 хорошо сочеталось с чистым и размеренным продюсированием альбома Криса Ри On The Beach [Magnet CDMAG-5069]. Четкие хлопки в ладоши и ярко звучащие тарелки продемонстрировали прекрасную игру в верхнем регистре в заглавном треке, Тем не менее, время от времени the Ferguson могли демонстрировать абсолютно солидное центральное присутствие, парящий вокал Мэрилин Мартин в песне Фила Коллинза "Separate Lives" от его собственной...Альбом хитов [CDV2870] является одним из поразительных примеров. Я должен признать, что это заставило меня сделать двойной дубль, настолько сильно изменился характер звука. Если оставить в стороне позиционирование, я почувствовал, что текстура вокала, возможно, была немного более резкой, чем можно было бы услышать от проигрывателя Philips (или Sony одного поколения или около того позже). Это была та часть прослушивания, в которой Ferguson CD 01 показал свою слабость, но в этом отношении он все же был не так плох, как недорогая модель первых лет существования формата. Сегодня, как и тогда, когда проигрыватель был новым, я подозреваю, что звучание CD 01 разделит мнения. Некоторые будут наслаждаться его ритмической точностью и четким фокусом, в то время как другие быстро устанут от презентации, которую иногда можно охарактеризовать как сухую и жесткую. Тем не менее, с помощью Sony Фергюс Покупка Подержанных Вещей Найти Ferguson CD 01 не так-то просто, поскольку он, похоже, не пользовался особой популярностью. Из тех, что были проданы, многие оказались в школах и других общественных зданиях, приобретенных местными властями, уже связанными с Thorn контрактами на другое аудиовизуальное оборудование. Сходство с Sony CDP-101 помогает найти ключевые детали, такие как оптический блок и основные микросхемы. Sony CDP-101 по-прежнему довольно распространены на подержанном рынке, и там есть много потрепанных "доноров". Хотя может показаться неправильным ломать последнее и сохранять первое, CD 01 встречается во много раз реже, чем CDP-101, и, возможно, также приятнее в использовании. Единственное, с чем не может помочь утилизированный CDP-101, - это микросхема драйвера питания сервопривода (STK6932), которая, как и две другие, использовавшиеся в ее предшественнике, является источником проблем. Однако его функция проста, и альтернативная схема легко собирается из доступных деталей (например, все еще выпускаемый L272). Другой очень распространенной проблемой является затвердевание смазочных материалов, используемых в механизме. С возрастом все заедает, от лазерного привода салазок до дискового зажима и выдвижного ящика. К счастью, все детали довольно большие и просты в обращении, поэтому необходимая разборка, чистка и повторная смазка требуют не больше усилий, чем ремонт автоматического поворотного стола. Единственная потенциальная ошибка здесь касается механизма защиты от люфта, который приводит в движение салазки. Он содержит пружину в форме полумесяца, которую легко потерять, если вы не будете осторожны. Вердикт Hi-Fi News Ferguson CD 01 представляет интерес как для коллекционеров британского оборудования, так и для Sony. Это интригующий ранний проигрыватель компакт-дисков, который стоит поискать. Во многих отношениях это "недостающее звено" между Sony CDP-101 и более поздней продукцией компании, аппарат технически хорошо выполнен и приятен в использовании. Если вы предпочитаете японский "взгляд" на то, как должны звучать компакт-диски, то ваша единственная трудность будет заключаться в том, чтобы найти его... https://hifinews.com/content/ferguson-cd-01-cd-player Коллеги, просто не смог удержаться, и не перетащить с мелкобританского форума аудиолюбителей сею статью сюда с Яндексовским переводом))))) Да, и если что он, этот самый Ferguson CD 01 у меня есть. Был в ремонте 1 (ОДИН) раз уже в городе Астрахань, были поменяны кнопки, вернее то, что было под кнопками, резина умерла. Цитата Ссылка на комментарий Поделиться на другие сайты More sharing options...
Андрей1989 Опубликовано 3 сентября, 2022 Жалоба Share Опубликовано 3 сентября, 2022 (изменено) В 22.08.2022 в 16:37, Андрей1989 сказал: Пришли Элаки, но я пока не в астре,через недельку послушаю Послушал Elac UBR-62) Пока на табуретах, стойки заказал, задерживаются чёта. Понравилась сцена,широкая - коаксальные вч и сч делают дело, довольно плоский сч динамик я так понял тоже добавляет ширины , детальность хорошая, голоса живые, при обилии инструментов отлично всё читается. Давно не слышал таких вч, особенно после прошлых напольников. С басом чуть не привычно пока, его конечно поменьше после прошлых колонок, но более фактурный и читаемый, надо еще с расположением поиграться будет. Возможно им усилитель пожирнее нужен, хотя с ncorom все предельно четко. Сабик бы им хорошо подошел на seas1209 думаю, динамик тоже алюминий. Ну и цап хотелось бы уже какой-нибудь хайрезный попробовать Изменено 3 сентября, 2022 пользователем Андрей1989 Цитата Ссылка на комментарий Поделиться на другие сайты More sharing options...
Delta213 Опубликовано 7 сентября, 2022 Жалоба Share Опубликовано 7 сентября, 2022 (изменено) В 03.09.2022 в 17:13, Андрей1989 сказал: Послушал Elac UBR-62) Пока на табуретах, стойки заказал, задерживаются чёта. Понравилась сцена,широкая Взял я у Андрея покататься эти элаки, все подтверждаю, отличная акустика, у меня младшие элаки дебюты, эти референс, вроде бы по частоткам ровно, ну может на моих чуть крикливее середина, но не принципиально, а вот сцена на референсах однозначно лучше. Из полочников с коаксами еще хороши KEF R3, но они уже прилично дороже. Так что кому нужны хорошие полочники, то UBR-62 очень годный вариант. Андрей, а саб не нужен, элаки от 40 тянут, ну будет саб от 30, один гул добавишь, по мне так лучше меньше, но быстрый и хлесткий. Изменено 7 сентября, 2022 пользователем Delta213 Цитата Ссылка на комментарий Поделиться на другие сайты More sharing options...
Мистер Хрюк Опубликовано 15 сентября, 2022 Жалоба Share Опубликовано 15 сентября, 2022 PUMP IT UP !!!! Цитата Ссылка на комментарий Поделиться на другие сайты More sharing options...
Delta213 Опубликовано 16 сентября, 2022 Жалоба Share Опубликовано 16 сентября, 2022 Мистер Хрюк, ты уже не первый раз эту схему постишь, уймись. Кстати вполне рабочая схема и многим нравится, короткий тракт, все такое, акустика только нужна чувствительная, хотя бы 93дб/м Цитата Ссылка на комментарий Поделиться на другие сайты More sharing options...
Это популярное сообщение. Саломон Опубликовано 16 сентября, 2022 Это популярное сообщение. Жалоба Share Опубликовано 16 сентября, 2022 Он фапает на нее. 4 3 Цитата Ссылка на комментарий Поделиться на другие сайты More sharing options...
Мистер Хрюк Опубликовано 16 сентября, 2022 Жалоба Share Опубликовано 16 сентября, 2022 Это да. Я как представлю, что балластный резистор постоянно греется с мощностью (12^2)/15 = 9.6 Вт и сам транзистор тоже 9.6 Вт - прям кончаю !!!! И это ещё без звука на тишине. А как представлю что там будет при звуке - ваще фонтанирую !!!!! Цитата Ссылка на комментарий Поделиться на другие сайты More sharing options...
Delta213 Опубликовано 16 сентября, 2022 Жалоба Share Опубликовано 16 сентября, 2022 6 часов назад, Мистер Хрюк сказал: А как представлю что там будет при звуке - ваще фонтанирую !!!!! Тоже самое будет, это класс А, от сигнала потребление не зависит. И что, 20/40Вт в воздух проблема? Я делал нечто подобное, 100Вт на канал в воздух улетало, зимой хорошо http://www.audiodesignguide.com/PowerFollower/index1.html https://dzen.ru/media/electronic_scribbles/power-follower-realizaciia-i-sravnenie-s-obychnym-istokovym-povtoritelem-5faa0bea3b7ff25f30c44552 Цитата Ссылка на комментарий Поделиться на другие сайты More sharing options...
Андрей1989 Опубликовано 17 сентября, 2022 Жалоба Share Опубликовано 17 сентября, 2022 Цитата Ссылка на комментарий Поделиться на другие сайты More sharing options...
Delta213 Опубликовано 17 сентября, 2022 Жалоба Share Опубликовано 17 сентября, 2022 Цитата Ссылка на комментарий Поделиться на другие сайты More sharing options...
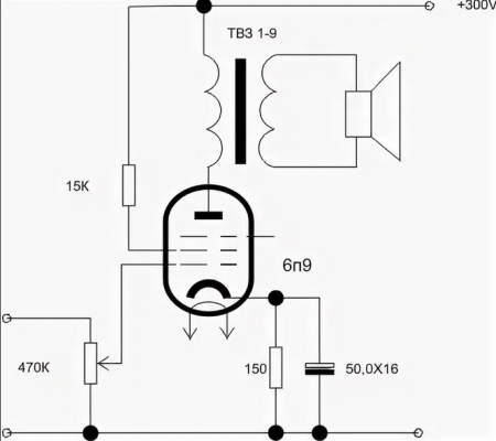
Мистер Хрюк Опубликовано 20 сентября, 2022 Жалоба Share Опубликовано 20 сентября, 2022 PUMP IT UP !!! ТЁПЛЫЙ ЛАМПОВЫЙ !!! Цитата Ссылка на комментарий Поделиться на другие сайты More sharing options...
Öde ö Опубликовано 20 сентября, 2022 Жалоба Share Опубликовано 20 сентября, 2022 1. Смысл сюда пентод совать? 2. Защитная сетка действительно висит в воздухе или до катода рука не дотянулась? 1 Цитата Ссылка на комментарий Поделиться на другие сайты More sharing options...
Delta213 Опубликовано 20 сентября, 2022 Жалоба Share Опубликовано 20 сентября, 2022 4 часа назад, Öde ö сказал: 1. Смысл сюда пентод совать? Красивое Цитата Ссылка на комментарий Поделиться на другие сайты More sharing options...
Андрей1989 Опубликовано 21 сентября, 2022 Жалоба Share Опубликовано 21 сентября, 2022 Цитата Ссылка на комментарий Поделиться на другие сайты More sharing options...
Мистер Хрюк Опубликовано 22 сентября, 2022 Жалоба Share Опубликовано 22 сентября, 2022 В 20.09.2022 в 19:26, Delta213 сказал: Красивое Неподключенная сетка светится красивым голубоватым светом. Цитата Ссылка на комментарий Поделиться на другие сайты More sharing options...
Рекомендуемые сообщения
Присоединиться к общению
Вы можете написать сейчас, а зарегистрироваться потом. Если у Вас есть аккаунт, войдите, чтобы написать с него.