Dr.Sam Опубликовано 9 апреля, 2018 Жалоба Share Опубликовано 9 апреля, 2018 Доброго дня. Прошу совета. Собрал комп. При пуске системника вот такая фигня. DSCF0044.MOV Это файл с видео. Пускается потом останавливается и снова пускается. DSCF0047.MOV Ссылка на комментарий Поделиться на другие сайты More sharing options...
Red_devil_agma Опубликовано 9 апреля, 2018 Жалоба Share Опубликовано 9 апреля, 2018 Номер скинь позвоню скажу что и где искать) Ссылка на комментарий Поделиться на другие сайты More sharing options...
genom Опубликовано 17 апреля, 2018 Жалоба Share Опубликовано 17 апреля, 2018 заработал? Ссылка на комментарий Поделиться на другие сайты More sharing options...
Dr.Sam Опубликовано 14 июля, 2018 Автор Жалоба Share Опубликовано 14 июля, 2018 В 17.04.2018 в 19:47, genom сказал: заработал? Нет к сожалению проблема еще актуальна. 5 сигналов bios. Уже вернули материнскую плату и процессор обратно после ремонта с Германии. Все равно ошибка при запуске. ПС Проблема актуально, посоветуйте что можно сделать. Куда обратиться. Ссылка на комментарий Поделиться на другие сайты More sharing options...
queyron Опубликовано 14 июля, 2018 Жалоба Share Опубликовано 14 июля, 2018 Для начала опиши свои характеристики, сокет, процессор, материнская плата, охлаждение PWM или нет (4-пиновый провод от вентилятора это PWM), платы расширения (видеокарта, звуковая или сетевая, USB 3.0), блок питания. Ссылка на комментарий Поделиться на другие сайты More sharing options...
Dr.Sam Опубликовано 14 июля, 2018 Автор Жалоба Share Опубликовано 14 июля, 2018 Материнская плата гигабайт hd3 z370, процессор intel i7 8700 , oхлаждение 4 pin, usb 3, видеокарта джифорс 1070 , звук встроенный, блок питания на 750 вт. Подробнее о проблеме: при включении пк срабатывает 5 коротких сигналов bios. Сегодня пробовал включать без видеокарты, один коро кий сигнал, то есть система прошла проверку. Задал вопрос на профильном форуме, сказали что это проблема матери гигабайтовской, якобы у многих было такое замеченно. Совет дали такой что в биосе какой то параметр надо изменить. Я чайник в этих делах Какой там параметр пока не знаю. Ссылка на комментарий Поделиться на другие сайты More sharing options...
Se®gio Опубликовано 14 июля, 2018 Жалоба Share Опубликовано 14 июля, 2018 12 минут назад, Dr.Sam сказал: Сегодня пробовал включать без видеокарты, один коро кий сигнал, то есть система прошла проверку. А на экране-то что-нибудь появилось? Иначе-то в BIOS не войти и не поменять ничего. И что там ремонтировали, если ничего не поменялось? Как вариант, попробовать поставить процессор постарее и обновить BIOS (если, конечно, система стартанет). Ссылка на комментарий Поделиться на другие сайты More sharing options...
Dr.Sam Опубликовано 14 июля, 2018 Автор Жалоба Share Опубликовано 14 июля, 2018 3 часа назад, Se®gio сказал: А на экране-то что-нибудь появилось? Иначе-то в BIOS не войти и не поменять ничего. И что там ремонтировали, если ничего не поменялось? Как вариант, попробовать поставить процессор постарее и обновить BIOS (если, конечно, система стартанет) Дело в том, что на z370 матери идут толькот 8 серии процессоры. И мы уже пробовали ставить , не помогло, ошибка также. Ссылка на комментарий Поделиться на другие сайты More sharing options...
Pangolin Опубликовано 14 июля, 2018 Жалоба Share Опубликовано 14 июля, 2018 А подключить монитор к МП? Без видеокарты Ссылка на комментарий Поделиться на другие сайты More sharing options...
Dr.Sam Опубликовано 16 июля, 2018 Автор Жалоба Share Опубликовано 16 июля, 2018 В 14.07.2018 в 23:59, Pangolin сказал: А подключить монитор к МП? Без видеокарты Сейчас снова пытаюсь включить без видеокарты. Также 5 сигналов. Ссылка на комментарий Поделиться на другие сайты More sharing options...
Dr.Sam Опубликовано 16 июля, 2018 Автор Жалоба Share Опубликовано 16 июля, 2018 В 14.07.2018 в 21:35, Se®gio сказал: А на экране-то что-нибудь появилось? Иначе-то в BIOS не войти и не поменять ничего. И что там ремонтировали, если ничего не поменялось? Как вариант, попробовать поставить процессор постарее и обновить BIOS (если, конечно, система стартанет). Эта ошибка снова стала повторяться. Без видеокарты также не включается 5 сигналов. Ссылка на комментарий Поделиться на другие сайты More sharing options...
Dr.Sam Опубликовано 16 июля, 2018 Автор Жалоба Share Опубликовано 16 июля, 2018 Подскажите пожалуйста, как можно взять не надолго материнскую плату на z370 ? В магазине не дадут? Только искать по знакомым? Ссылка на комментарий Поделиться на другие сайты More sharing options...
Медоед Опубликовано 17 июля, 2018 Жалоба Share Опубликовано 17 июля, 2018 Возможно, где-то нет контакта процессора с ножками сокета. Либо процессор неисправен. BIOS AMI. 5 коротких Ошибка в работе процессора. Рекомендации аналогичны приведенным выше. Также причиной данной ошибки может быть процессор, не совместимый с этой материнской платой. Ссылка на комментарий Поделиться на другие сайты More sharing options...
Dr.Sam Опубликовано 17 июля, 2018 Автор Жалоба Share Опубликовано 17 июля, 2018 24 минуты назад, Медоед сказал: Возможно, где-то нет контакта процессора с ножками сокета. Либо процессор неисправен. BIOS AMI. 5 коротких Ошибка в работе процессора. Рекомендации аналогичны приведенным выше. Также причиной данной ошибки может быть процессор, не совместимый с этой материнской платой. Ножки уже проглядел раз 10 наверное. Процессор исправен, так как ставили другие процессоры 8700 такая же ошибка. Еще есть версия что БИОС версия не подходит к процу Ссылка на комментарий Поделиться на другие сайты More sharing options...
Медоед Опубликовано 17 июля, 2018 Жалоба Share Опубликовано 17 июля, 2018 @Dr.Sam, стартовать без обвесов пробовал? МП+ЦП+ОЗУ. Причем, если планок ОЗУ несколько, то пробовать по одной и в разные слоты. Далее установить видеокарту. Если ничего не получилось, то попробовать восстановить БИОС из резервной микросхемы (на свой страх и риск). Материнские платы 3хх серии были специально спроектированы для 8ххх процессоров. Если только БИОС был залит криво, но тогда бы автоматом восстанавливался. Либо сам БИОС кривой, какая-нибудь сырая бета-версия. Ссылка на комментарий Поделиться на другие сайты More sharing options...
Dr.Sam Опубликовано 17 июля, 2018 Автор Жалоба Share Опубликовано 17 июля, 2018 Только что, Медоед сказал: @Dr.Sam, стартовать без обвесов пробовал? МП+ЦП+ОЗУ. Причем, если планок ОЗУ несколько, то пробовать по одной и в разные слоты. Далее установить видеокарту. Если ничего не получилось, то попробовать восстановить БИОС из резервной микросхемы (на свой страх и риск). Материнские платы 3хх серии были специально спроектированы для 8ххх процессоров. Если только БИОС был залит криво, но тогда бы автоматом восстанавливался. Либо сам БИОС кривой, какая-нибудь сырая бета-версия. Да, без обвесов пробовал. Два раза система пустилась без видеокарты, сейчас опять перестала пускаться без видюхи, с видео вообще не разу не пускалась. Остальное тоже поэтапно отключал и пробовал пустить, результата нет. Сейчас хочу повезти блок в сервис центр DNS чтобы проверили рабочесть штекеров блока питания. Ссылка на комментарий Поделиться на другие сайты More sharing options...
Медоед Опубликовано 17 июля, 2018 Жалоба Share Опубликовано 17 июля, 2018 @Dr.Sam, еще на один совет по поводу резервного БИОСа наткнулся. Цитата А зачем коротить ножки микросхем проще стандартно восстановить резервную копию биос.Включаем компьютер и неотпускаем кнопку включения пока компьютер сам не выключится потом просто включаем и биос копируется из резерва. Ссылка на комментарий Поделиться на другие сайты More sharing options...
Медоед Опубликовано 17 июля, 2018 Жалоба Share Опубликовано 17 июля, 2018 @Dr.Sam, да, БП может косячить. Он тоже новый? Ссылка на комментарий Поделиться на другие сайты More sharing options...
Dr.Sam Опубликовано 17 июля, 2018 Автор Жалоба Share Опубликовано 17 июля, 2018 1 минуту назад, Медоед сказал: @Dr.Sam, да, БП может косячить. Он тоже новый? Да новый в DNS брал, еще на гарантии. Ссылка на комментарий Поделиться на другие сайты More sharing options...
Медоед Опубликовано 17 июля, 2018 Жалоба Share Опубликовано 17 июля, 2018 @Dr.Sam, ну, подкинуть другой БП для проверки проще всего : ) Ссылка на комментарий Поделиться на другие сайты More sharing options...
Dr.Sam Опубликовано 17 июля, 2018 Автор Жалоба Share Опубликовано 17 июля, 2018 3 минуты назад, Медоед сказал: @Dr.Sam, ну, подкинуть другой БП для проверки проще всего : ) Мне кажется больше геморроя. Лучше сдам весь системник в DNS центр, там уж точно выявят причину. Другого выхода не вижу. Ссылка на комментарий Поделиться на другие сайты More sharing options...
Медоед Опубликовано 17 июля, 2018 Жалоба Share Опубликовано 17 июля, 2018 @Dr.Sam, так он был полностью приобретен в ДНС? Горят индикаторы, не замечал? Ссылка на комментарий Поделиться на другие сайты More sharing options...
Dr.Sam Опубликовано 17 июля, 2018 Автор Жалоба Share Опубликовано 17 июля, 2018 2 минуты назад, Медоед сказал: @Dr.Sam, так он был полностью приобретен в ДНС? Горят индикаторы, не замечал? Нет, только часть ( сам корпус, БП на 750 Вт, жесткие диск и SSD) Слабоват в английском. Индикаторы горят и перед запуском перемигиваются. Ссылка на комментарий Поделиться на другие сайты More sharing options...
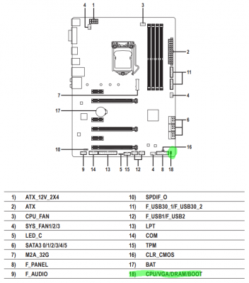
Медоед Опубликовано 17 июля, 2018 Жалоба Share Опубликовано 17 июля, 2018 @Dr.Sam, если горят, то система сообщает и неисправности комплектующих. Процессор | Память Видеокарта | Загрузка ОС Ссылка на комментарий Поделиться на другие сайты More sharing options...
Dr.Sam Опубликовано 17 июля, 2018 Автор Жалоба Share Опубликовано 17 июля, 2018 1 час назад, Медоед сказал: @Dr.Sam, если горят, то система сообщает и неисправности комплектующих. Процессор | Память Видеокарта | Загрузка ОС DRAM горит красным, значит оперативка? Материнка точно Ссылка на комментарий Поделиться на другие сайты More sharing options...
Рекомендуемые сообщения
Заархивировано
Эта тема находится в архиве и закрыта для дальнейших ответов.