qwedsa75 Опубликовано 2 апреля, 2018 Жалоба Share Опубликовано 2 апреля, 2018 напряжение 275 в примерно анод и фиксированное смещение -35 вольт ток катода 80 ма каждой лампы... силовик - ст 180 выходные на железе от тс 270 лично моталллл..... .. блиннннн но классику хорошо отыгрывает... Цитата Ссылка на комментарий Поделиться на другие сайты More sharing options...
Delta213 Опубликовано 3 апреля, 2018 Жалоба Share Опубликовано 3 апреля, 2018 11 часов назад, qwedsa75 сказал: последний однотактный пентодник на сдвоенных лампах 6п44с Это как? С оос небось, а смысл тогда в лампе какой? Выходники сам мотал? Намотай мне на моих каркасах за денюжку. Цитата Ссылка на комментарий Поделиться на другие сайты More sharing options...
salo Опубликовано 3 апреля, 2018 Жалоба Share Опубликовано 3 апреля, 2018 Разные лампы для разных стилей музыки. Вот идеал. Спец аудиофильский (АУ) едишн - 6П6Ж-АУ Цитата Ссылка на комментарий Поделиться на другие сайты More sharing options...
qwedsa75 Опубликовано 3 апреля, 2018 Жалоба Share Опубликовано 3 апреля, 2018 2 часа назад, Delta213 сказал: Это как? С оос небось, а смысл тогда в лампе какой? оос - нет в этом и смысл... до этого было сделано пара пентодников на 6п14п... так как трансы выходные большие. то проблен с НЧ не возникает... Цитата Ссылка на комментарий Поделиться на другие сайты More sharing options...
Öde ö Опубликовано 3 апреля, 2018 Жалоба Share Опубликовано 3 апреля, 2018 До сих пор не раскусил, в чем пагубность ООС. Однотакт без ООС - да, красиво, но как-то слишком "в греческом зале". Тронь, и рассыпется. При этом ностальгически мягкое звучание советских приемников и телеков - это каскады с ООС. Там ощущение какой-то уверенности в звуке что ли. Я считаю, что с точки зрения звука ООС - это не добро и не зло, а просто вариант построения. Цитата Ссылка на комментарий Поделиться на другие сайты More sharing options...
qwedsa75 Опубликовано 3 апреля, 2018 Жалоба Share Опубликовано 3 апреля, 2018 (изменено) 20 минут назад, Öde ö сказал: До сих пор не раскусил, в чем пагубность ООС. что значит рассыпится...фанера 12мм -хрен сломаешь...саморезы вобоще 3.5 мм крепко всё...(шутка ) идеология короткого тракта дедушки Лихницкого работает... а пагубность ООС - в величине этой самой ООС одно дело синус смотреть. совсем другое реальный сигнал.... впрочем всегда есть разумный компромисс....ухо слушателя -решает.... вот трансы мотать неохота... сам бы заплатил кому...... старые умельцы уходят в мир иной... молодые все клавишниками стали....мотать некому....увы... Изменено 3 апреля, 2018 пользователем qwedsa75 Цитата Ссылка на комментарий Поделиться на другие сайты More sharing options...
qwedsa75 Опубликовано 3 апреля, 2018 Жалоба Share Опубликовано 3 апреля, 2018 23 минуты назад, Öde ö сказал: Однотакт без ООС - да, красиво, но как-то слишком "в греческом зале". Тронь, и рассыпется. При этом ностальгически мягкое звучание советских приемников и телеков - это каскады с ООС. Там ощущение какой-то уверенности в звуке что ли. пара сдвоенных ламп и большой ТВ - тоже даёт уверенность в звуке... с одной маломощной лампой такие проблемы имели место... особенно в триодном включении....низа - как основы звука там не было ... Цитата Ссылка на комментарий Поделиться на другие сайты More sharing options...
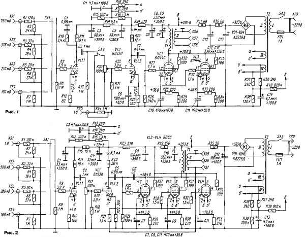
qwedsa75 Опубликовано 3 апреля, 2018 Жалоба Share Опубликовано 3 апреля, 2018 (изменено) вот некоторые схемы на сдвоенных и строенных лампах но только не жалейте размера железа для выходных трансформаторов..... Изменено 3 апреля, 2018 пользователем qwedsa75 Цитата Ссылка на комментарий Поделиться на другие сайты More sharing options...
Delta213 Опубликовано 3 апреля, 2018 Жалоба Share Опубликовано 3 апреля, 2018 Чета ты народ в заблуждение вводишь написал пентодник, а схемы дал триодные, так у тебя что на самом деле, пентоды (6п44с) в триодном включении? Или в родном пентодном? Если в пентодном, то не понимаю откуда звук без оос. В пентоде у них Ri сотни килоом, начерти на вах(пентодных) нагрузочную линию и посмотри что получается. Цитата Ссылка на комментарий Поделиться на другие сайты More sharing options...
Delta213 Опубликовано 3 апреля, 2018 Жалоба Share Опубликовано 3 апреля, 2018 1 час назад, Öde ö сказал: До сих пор не раскусил, в чем пагубность ООС. В том, что оос всегда запаздывает, она берется с выхода усилителя и действует на его вход, но усилитель имеет конечное быстродействие, т.е. на его выходе сигнал появляется не мгновенно, вслед за сигналом на входе, а с некоторой задержкой. От этого оос хорошо работает на низких частотах и плохо на высоких. Это так, по простому рассказал, еще и другие проблемы есть. Цитата Ссылка на комментарий Поделиться на другие сайты More sharing options...
Delta213 Опубликовано 3 апреля, 2018 Жалоба Share Опубликовано 3 апреля, 2018 1 час назад, qwedsa75 сказал: вот трансы мотать неохота... сам бы заплатил кому...... Женская работа, монотонная и ошибаться нельзя, сродни вышиванию, или вязанию, я не могу, терпежу не хватает. А если не деньгами, а чем нибудь вкусно аудиофилийским? Например парой 6с4с 60х, или вот такими: https://www.audiomania.ru/kondensator/mundorf/mkp_mundorf_mcap_supreme_silver_oil.html#15750 Цитата Ссылка на комментарий Поделиться на другие сайты More sharing options...
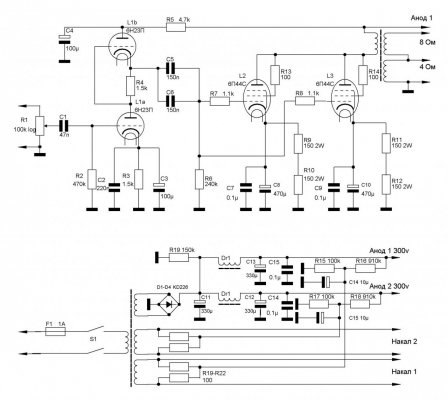
salo Опубликовано 3 апреля, 2018 Жалоба Share Опубликовано 3 апреля, 2018 Вот схема, которая уделывает все ваши лампы ! Цитата Ссылка на комментарий Поделиться на другие сайты More sharing options...
Delta213 Опубликовано 3 апреля, 2018 Жалоба Share Опубликовано 3 апреля, 2018 Кстати вполне рабочая схема, немного не туда включен R2, но и так работать будет, вот только 2ск1056(58) сейчас хрен найдешь. Цитата Ссылка на комментарий Поделиться на другие сайты More sharing options...
qwedsa75 Опубликовано 3 апреля, 2018 Жалоба Share Опубликовано 3 апреля, 2018 (изменено) 44 минуты назад, Delta213 сказал: Чета ты народ в заблуждение вводишь написал пентодник, а схемы дал триодные, так у тебя что на самом деле, пентоды (6п44с) в триодном включении? Или в родном пентодном? Если в пентодном, то не понимаю откуда звук без оос. В пентоде у них Ri сотни килоом, начерти на вах(пентодных) нагрузочную линию и посмотри что получается. ключевое слово - не пентодник - а на СДВОЕННЫХ лампах схемы есть и в триоде и в пентоде.. .и это не моя схема...ни разу. просто посадить вторую сетку на питание или на анод- вот и вся разница так что какие заблуждения... да и народа здесь - два человека.... я сделал и в триоде и в пентоде...на 6п44с. и всё работает и всё без ООС. Изменено 3 апреля, 2018 пользователем qwedsa75 на строенных лампах - в пентоде третья схема Цитата Ссылка на комментарий Поделиться на другие сайты More sharing options...
qwedsa75 Опубликовано 3 апреля, 2018 Жалоба Share Опубликовано 3 апреля, 2018 20 минут назад, salo сказал: Вот схема, которая уделывает все ваши лампы ! может эта схема и чего то там уделает. но мне уж больно на лампах понравилось.... Цитата Ссылка на комментарий Поделиться на другие сайты More sharing options...
Delta213 Опубликовано 3 апреля, 2018 Жалоба Share Опубликовано 3 апреля, 2018 Не это не ключевое слово, это вообще плохо параллелить лампы, вместо пары, лучше поискать одну с теми же характеристиками, как и у пары, в твоем случае это 6п36с. и вторую сетку не на катод, а на анод В пентоде без оос будут одни искажения, какой выходник ни ставь, вот и ты последнюю схему привел, там где они в пентоде, там оос присутствует, иначе никак. Цитата Ссылка на комментарий Поделиться на другие сайты More sharing options...
Delta213 Опубликовано 3 апреля, 2018 Жалоба Share Опубликовано 3 апреля, 2018 2 минуты назад, qwedsa75 сказал: может эта схема и чего то там уделает. но мне уж больно на лампах понравилось.... Так всем нравится, кто слышал, по некоторым параметрам (звуковым) транзисторные могут успешно с лампами конкурировать, но в целом, общее впечатление от лампового лучше, факт. Цитата Ссылка на комментарий Поделиться на другие сайты More sharing options...
qwedsa75 Опубликовано 3 апреля, 2018 Жалоба Share Опубликовано 3 апреля, 2018 6 минут назад, Delta213 сказал: Не это не ключевое слово, это вообще плохо параллелить лампы, вместо пары, лучше поискать одну с теми же характеристиками, как и у пары, в твоем случае это 6п36с. и вторую сетку не на катод, а на анод В пентоде без оос будут одни искажения, какой выходник ни ставь, вот и ты последнюю схему привел, там где они в пентоде, там оос присутствует, иначе никак. на анод естественно...опечатка.... пока слушаю - вроде бы неплохо и без оос...дальше посмотрим...паяльник недолго включить.... Цитата Ссылка на комментарий Поделиться на другие сайты More sharing options...
Delta213 Опубликовано 3 апреля, 2018 Жалоба Share Опубликовано 3 апреля, 2018 Наушники хорошие купил, сейчас слушаю от обычного композита на 544уд2 и лт1210, все хорошо, но хочется еще лучше, думаю собрать балансник (балансный кабель был в комплекте) на тхс4131 и тхс6012, но думаю что это все равно полумеры, хорошо бы сделать одноламповый. Трансы у меня под него есть 7,7 квадратов, немецкие, телефункен, придется отсылать каркасы под намотку. Цитата Ссылка на комментарий Поделиться на другие сайты More sharing options...
qwedsa75 Опубликовано 3 апреля, 2018 Жалоба Share Опубликовано 3 апреля, 2018 (изменено) в городе мотать некому. что ли ? а фирма т Козлова на ул. ахшарумова ? я то просто по старой радиолюбительской привычке всё делаю сам.... Изменено 3 апреля, 2018 пользователем qwedsa75 Цитата Ссылка на комментарий Поделиться на другие сайты More sharing options...
Öde ö Опубликовано 3 апреля, 2018 Жалоба Share Опубликовано 3 апреля, 2018 9 минут назад, qwedsa75 сказал: а фирма т Козлова на ул. ахшарумова ? Фирма т. Козлова была хороша тем, что там всегда можно было купить любые расходники для намотки. Но отдавать туда мотать я бы не стал даже сраный сетевик. Намотать на станке за пять минут, конечно, можно, и транс даже будет работать. Но это же не то, что хочется. Поэтому 11 минут назад, qwedsa75 сказал: по старой радиолюбительской привычке всё делаю сам.... Цитата Ссылка на комментарий Поделиться на другие сайты More sharing options...
qwedsa75 Опубликовано 3 апреля, 2018 Жалоба Share Опубликовано 3 апреля, 2018 так помоги ближнему... аккуратности тебе не занимать. а это главное... а 6п4с как награда за подвиг и потом сделаешь себе однотактник на них в компанию к винилкорректору Цитата Ссылка на комментарий Поделиться на другие сайты More sharing options...
Öde ö Опубликовано 3 апреля, 2018 Жалоба Share Опубликовано 3 апреля, 2018 Только что, qwedsa75 сказал: так помоги ближнему... аккуратности тебе не занимать. а это главное... Катастрофически нет времени ни на что. Я музыку-то последний раз слушал больше месяца назад. Цитата Ссылка на комментарий Поделиться на другие сайты More sharing options...
qwedsa75 Опубликовано 3 апреля, 2018 Жалоба Share Опубликовано 3 апреля, 2018 (изменено) 1 час назад, Delta213 сказал: Не это не ключевое слово, это вообще плохо параллелить лампы, вместо пары, лучше поискать одну с теми же характеристиками, как и у пары, в твоем случае это 6п36с. 6п36с... есть. но чем они лучше чем 6п 44с... Изменено 3 апреля, 2018 пользователем qwedsa75 Цитата Ссылка на комментарий Поделиться на другие сайты More sharing options...
salo Опубликовано 3 апреля, 2018 Жалоба Share Опубликовано 3 апреля, 2018 12 минут назад, Öde ö сказал: Катастрофически нет времени ни на что. Я музыку-то последний раз слушал больше месяца назад. А куда вдруг делось всё твоё время ? Жену ублажаешь 24/7/365 ? Цитата Ссылка на комментарий Поделиться на другие сайты More sharing options...
Рекомендуемые сообщения
Присоединиться к общению
Вы можете написать сейчас, а зарегистрироваться потом. Если у Вас есть аккаунт, войдите, чтобы написать с него.