Consultant Опубликовано 10 мая, 2014 Жалоба Share Опубликовано 10 мая, 2014 Хочу организовать включение авторегистратора от датчика объема: при попадании человека в область действия датчика объема (Altonika VG-64) тот подает сигнал на "таймер" (в общем не знаю на что). "Таймер" подает питание (12в) на видеорегистратор определенное время (допустим минуту), после чего отключает питание и ждет нового сигнала от датчика объема. Никак не могу найти нужный "таймер". Может этот элемент цепочки как-то не так называется... В общем нужна помощь в организации выбора компонентов этой схемы) P.S. Чтобы не искать характеристики Altonika VG-64, вот его характеристики: Напряжение питания: 8… 25 В Зона действия при максимальной чувствительности: 8 м Энергопотребление в дежурном режиме: 1,6 мА Энергонезависимая память установленных уровней срабатывания Регулировка чувствительности с помощью кнопок Возможность регулировки чувствительности с брелока от автосигнализации Цифровой анализ входных воздействий Световая индикация срабатывания Раздельная реакция на сильные и слабые возмущения Габаритные размеры: 74 x 76 x 18 мм Тип выходных схем: открытый коллектор n-p-n Длительность выходных сигналов предупредительной зоны охраны: 0,3 с тревожной зоны охраны: 1 с Максимальный выходной ток: не более 80 мА Рабочий диапазон температур: -40… +85°С Ссылка на комментарий Поделиться на другие сайты More sharing options...
merlin666 Опубликовано 10 мая, 2014 Жалоба Share Опубликовано 10 мая, 2014 Нужно готовое решение (коробочка) или сам хочешь собрать? Из полуготового http://www.masterkit.ru/main/set.php?code_id=1329214, выход Альтоники включается (соблюдая полярность) ко входу таймера. Из совсем неготового - Ардуино +одно реле припаять (вон на форуме товарищ продает мини Ардуинки) +написать простенькую программу. Ссылка на комментарий Поделиться на другие сайты More sharing options...
Consultant Опубликовано 10 мая, 2014 Автор Жалоба Share Опубликовано 10 мая, 2014 @merlin666, Думаю лучше готовое, просто не знаю точно как это устройство должно называться. Реле с таймером выключения? По ссылке мне не совсем понятно как сигнал с датчика объема будет включать таймер... Ссылка на комментарий Поделиться на другие сайты More sharing options...
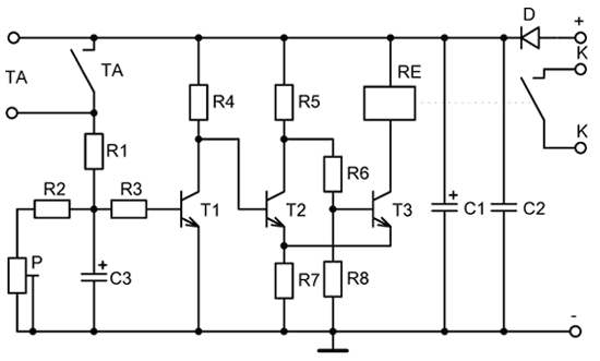
merlin666 Опубликовано 10 мая, 2014 Жалоба Share Опубликовано 10 мая, 2014 а что неясно то? у датчика объема выход - ОК, его подключаем на вход таймера (по схеме он слева вверху, контакты ТА), при срабатывании датчика срабатывает таймер, замыкает реле на выходе и начинает отсчет времени (время выставляется подстроечником в самом таймере), после истечения заданного времени реле размыкается. Если датчик сработает еще раз во время отсчета- отсчет времени начнется сначала, т.е. снимать регистратор будет всё время если кто то движется, если движения нет - то через заданное время реле разомкнется и отключит регистратор от питания. спаять сможет любой, кто умеет держать в руках паяльник. Ссылка на комментарий Поделиться на другие сайты More sharing options...
Consultant Опубликовано 10 мая, 2014 Автор Жалоба Share Опубликовано 10 мая, 2014 @merlin666, а для тех кто не умеет держать паяльник, наверное подойдет вот этот вариант? http://www.aliexpress.com/item/1-One-Channel-DC-12V-delay-on-off-Cycle-timer-switch-on-off-self-locking-Multifunction/1854662376.html Ссылка на комментарий Поделиться на другие сайты More sharing options...
merlin666 Опубликовано 10 мая, 2014 Жалоба Share Опубликовано 10 мая, 2014 да, но замудреный он какой то куча функций в нем... а так да, одна из функций подойдет. А конкретно - 10 функция. Ссылка на комментарий Поделиться на другие сайты More sharing options...
Consultant Опубликовано 10 мая, 2014 Автор Жалоба Share Опубликовано 10 мая, 2014 @merlin666, Спасибо. Его и закажу. Все равно выйдет дешевле, чем набор для пайки) Ссылка на комментарий Поделиться на другие сайты More sharing options...
merlin666 Опубликовано 10 мая, 2014 Жалоба Share Опубликовано 10 мая, 2014 не, дороже 500 рублей однозначно а набор для пайка в Электронных компонентах может быть в наличии Ссылка на комментарий Поделиться на другие сайты More sharing options...
Trahtenberg Опубликовано 10 мая, 2014 Жалоба Share Опубликовано 10 мая, 2014 http://www.ebay.com/itm/190895729870?ssPageName=STRK:MEWAX:IT&_trksid=p3984.m1423.l2649 немного проще Ссылка на комментарий Поделиться на другие сайты More sharing options...
Рекомендуемые сообщения
Заархивировано
Эта тема находится в архиве и закрыта для дальнейших ответов.